System V: FBS Hahn-Mikroschraubpfahl

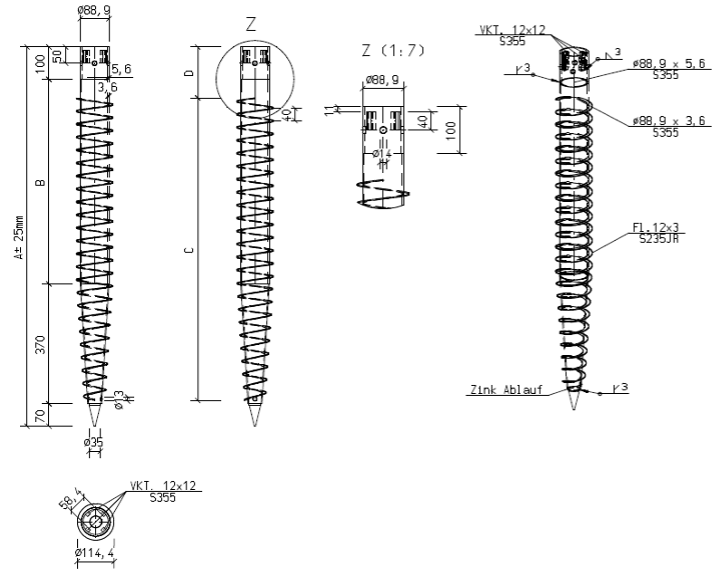
Die speziell angepasste Spitze und das Gewinde ermöglichen einen schnellen Vorschub in den Boden. Je nach Bodenbeschaffenheit ist es auch möglich, eine Verlängerung anzubringen. 

Die Produkte des Systems V befinden sich gerade im DIBt Zulassungsverfahren. Nach Abschluss erhalten diese somit eine allgemeine Bauartgenehmigung.

System V 76x3,6
System V 90x3,6
System V 76×3,6
System V 90×3,6
System V 90x5,6
System V 114x3,6
System V 90×5,6
System V 114×3,6
System V 114x5,6
System V 140x4,0
System V 114×5,6
System V 140×4,0
System V 140x5,6
System V 140x6,3
System V 140×5,6
System V 140×6,3

Unser aktueller Flyer

Aktueller Flyer

Unser Produkt - kurz erklärt

Mikroschraubpfahl 2-Pager
Nach oben scrollen